淺層氣浮機的工藝流程
淺層氣浮機的工藝流程
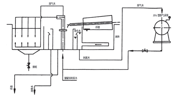
原水經絮凝混合由池底中心管流入,水表面的浮渣用撇渣器收集起來,然后排入中央污泥槽,排至相匹配的污泥處理裝置,沉于池底的污泥由刮泥板收集至排泥槽排出,清水由中央集水機構收集排出。
絮凝好的原水是指在原水中加入絮凝藥劑PAC或PAM(PAC為400-1000mg/l,PAM為PAC的1/5左右),經10-15分鐘的有效的絮凝反應,形成的原水。具體藥量及絮凝時間、絮凝效果必須實驗測定。

淺層氣浮機的工藝流程
原水經絮凝混合由池底中心管流入,水表面的浮渣用撇渣器收集起來,然后排入中央污泥槽,排至相匹配的污泥處理裝置,沉于池底的污泥由刮泥板收集至排泥槽排出,清水由中央集水機構收集排出。
絮凝好的原水是指在原水中加入絮凝藥劑PAC或PAM(PAC為400-1000mg/l,PAM為PAC的1/5左右),經10-15分鐘的有效的絮凝反應,形成的原水。具體藥量及絮凝時間、絮凝效果必須實驗測定。
